6,7 mm Kabeleinführung / Zugentlastungsbuchse - schwarz
10732
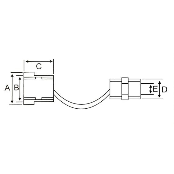
Diese Buchsenkabelklemmen bestehen aus Nylonmaterial, um die auf die Kabel ausgeübten Zug-, Schub- und Torsionskräfte aufzunehmen. span> p> Initialen: CB-A5C span> p> Abmessungen (mm): span> p> A: 16 span> p> B: 13,3 span> p> C: 14 span> p> D: 8,2 span> p> E: 6.7 span> p>
p>
Codice fornitore
CB-A5C
Marke
FATO
Please sign in so that we can notify you about a reply




