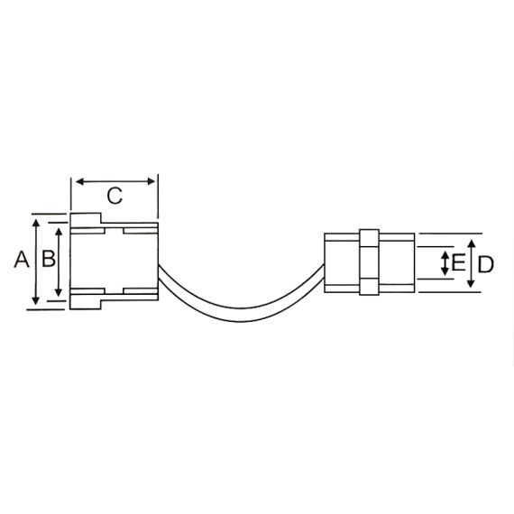
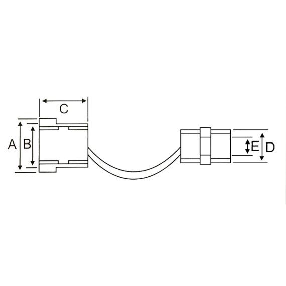
Prensaestopas / casquillo de alivio de tensión de 4.7 mm - negro
10357
Estas abrazaderas de cable de buje están hechas de material de nylon, para absorber las fuerzas de tracción y empuje y torsión ejercidas sobre los cables.
Iniciales: CB-A5A
Dimensiones (mm):
A: 14.3
B: 12.4
C: 14
D: 8.2
E: 4.7
Â
Â
Codice fornitore
CB-A5A
Marca
FATO
Please sign in so that we can notify you about a reply




